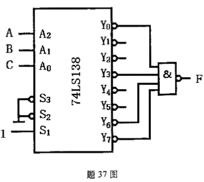
分析题37图所示的电路,写出F的表达式,并列出真值表。 作者:高老师 时间:2024-08-04 浏览 1 分析题37图所示的电路,写出F的表达式,并列出真值表。【正确答案】: 📱 扫码体验刷题小程序 扫一扫使用我们的微信小程序