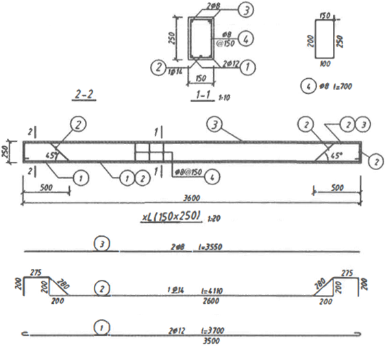
阅读梁的配筋图,画出2-2断面图,并填写该梁的钢筋表。

作者:高老师 浏览 1


阅读梁的配筋图,画出2-2断面图,并填写该梁的钢筋表。
【正确答案】:

📱 扫码体验刷题小程序

微信小程序二维码

扫一扫使用我们的微信小程序

热门题目

已复制到剪贴板